未满18岁禁止使用电子烟,请勿阅读、分享本文及关注“雾化科技洞察”
自5月报道立讯精密布局电子烟以来,立讯精密及其全资公司昆山联滔电子有限公司密集申请电子烟相关实用新型专利、外观专利10余项。
据对立讯精密专利查询,从今年3月开始立讯精密即开始电子烟、电子雾化相关专利申请,目前申请各项电子雾化技术专利近10项,其中包括多仓一体机、可注油电子烟、消毒电子烟收纳盒、卷烟自动售卖机,但大多仍处于“实质审查”阶段。


从查询信息看,立讯精密自3月即开始申请电子雾化相关专利
其中部分申请发明还比较有意思。

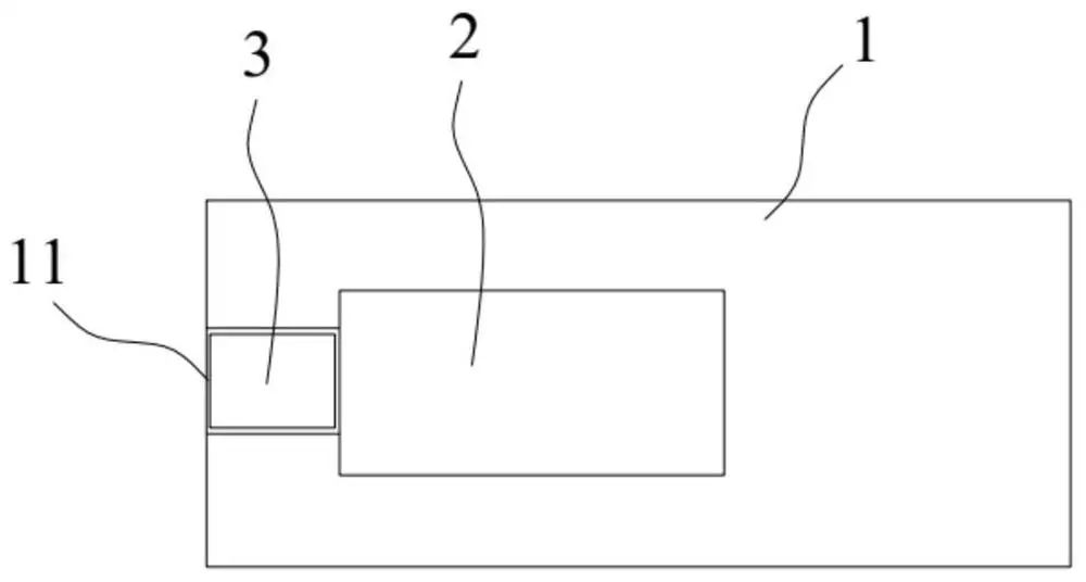
比如,专利申请号为CN202110518876.5为多仓一体雾化器。
根据申请描述“雾化壳体具有至少两个雾化仓,至少两个所述雾化仓相互独立,提供的电子雾化装置能够将不同种类的待雾化物体分隔放在不同的雾化仓中,无需更换雾化器,实现了雾化器的多用,使得电子雾化装置的成本可以较低。”
此发明应该是想解决不同雾化液的容纳携带问题,一个雾化仓内可同时独立容纳至少2种雾化液以上,实现口味的自由切换。

申请号CN202120736393.8为一款带消毒功能的电子烟收纳盒。
根据申请描述“本实用新型属于电子烟技术领域,多个烟弹能够择一可拆卸连接于烟杆形成电子烟,电子烟能够容纳于电子烟容纳槽内,剩余的多个烟弹一一对应的容纳于多个烟弹容纳槽内,消毒装置设置于电子烟容纳槽内,用于为电子烟上的烟弹进行消毒”。

申请号CN202120735758.5也是收纳盒,但与CN202120736393.8不同的是,该款收纳盒可同时收纳蓝牙耳机

申请号为CN202110302451.0申请的是一款可注油雾化器。
而与此同时,立讯精密亦开始在自动售货机专利布局,比如申请号为CN202110757214.3的申请为一款“香烟自动销售机器”。
在立讯精密申请专利同时,立讯精密旗下全资子公司昆山联滔电子有限公司也申请了多个电子烟外观专利,其中包括电子烟烟斗、电子烟茶壶、电子烟笔。


立讯精密全资子公司昆山联滔专利申请记录
相较于立讯精密申请的专利聚焦于技术、工艺创新,昆山联滔专利以外观专利为主,其中包括电子烟笔、电子烟茶壶等外观专利为主。

申请号CN202130337671.81的二合一电子烟笔。据描述可用于加热或燃烧置入的烟草制品或烟油产生烟雾。

申请号为CN202130335718.7申请电子烟茶壶专利。

申请号CN202130293435.01点专利申请,像是坚果拼盘+陶埙的结合体

而申请号为CN202130293259.0的电子烟外观专利,看起来像极了口红,是不是口红电子烟?申请资料没写,Atom tech也不敢乱猜。

密集的专利申请,说明立讯精密在电子雾化产业布局正在加速,在Atom tech的搜索中发现,目前立讯电子烟方面专利主要集中于立讯精密工业股份有限公司和昆山联滔,暂时亦未发现在雾化芯相关专利布局,作为行业三家千亿级电子烟B端玩家,思摩尔有FEELM,比亚迪电子有BEEM,立讯精密是否在雾化核心技术上亦开始布局,仍需等待进一步消息。


电子雾化与HNB产品都是新型电子产品,结构虽小,却融合应用多种材料、表面处理、芯片电子等技术工艺,而且雾化技术一直在不断更迭,供应链在逐步完善,为了促进供应链企业间有一个良好的对接交流,艾邦搭建产业微信群交流平台,欢迎加入;Vape e-cigarettes (VAPE) and Heat-Not-Burn e-cigarettes (HNB) are both emerging electronic products. Despite their compact size, they integrate various materials, surface treatment technologies, chip electronics, and other advanced technical processes. Moreover, atomization technology is constantly evolving and the supply chain is being progressively perfected. To facilitate good communication and networking among supply chain enterprises, Aibang has established an industry WeChat group communication platform and warmly welcomes interested enterprises to join.

